C 语言中的求值、优先级和结合律是什么?
表达式由“C”编译器根据优先级和结合律规则评估。
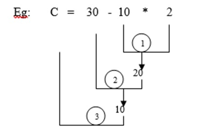
如果一个表达式包含不同优先级的运算符,则考虑优先级规则。

此处,首先评估 10*2,因为“*”比“- ”和“=”具有更高的优先级
如果一个表达式包含相同的优先级,则考虑结合律规则,即从左到右(或从右到左)。



广告
表达式由“C”编译器根据优先级和结合律规则评估。
如果一个表达式包含不同优先级的运算符,则考虑优先级规则。

此处,首先评估 10*2,因为“*”比“- ”和“=”具有更高的优先级
如果一个表达式包含相同的优先级,则考虑结合律规则,即从左到右(或从右到左)。


