有载和无载分压器
分压器或分压电路是一个串联电路,用于从单个电压源提供多个降低的电压。
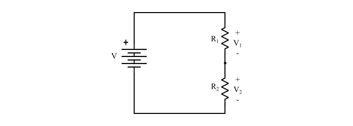
考虑如下所示的分压器电路,其中从V伏特的单个输入电压源获得两个降低的电压V1和V2。由于没有负载连接到电路,因此称为无载分压器。

参考无载分压器的电路图:
$$\mathrm{电路电流,I= \frac{V}{R_{1}+{R_{2}}}=\frac{V}{R_{eq}}}\:\:\:… (1)$$
其中,Req=R1 + R2= 分压器的总电阻
因此,
$$\mathrm{V_{1}=IR_{1}=\frac{V}{R_{eq}}×R_{1}=V\frac{R_{1}}{R_{eq}}}\:\:\:… (2)$$
$$\mathrm{V_{2}=IR_{2}=\frac{V}{R_{eq}}×R_{2}=V\frac{R_{2}}{R_{eq}}}\:\:\:… (3)$$
因此,公式(2)和(3)表明,在无载分压器中,任何电阻上的电压降等于总电源电压乘以该电阻值与总电阻的比率。
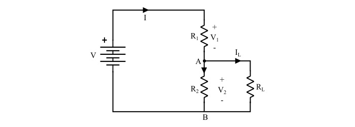
有载分压器
当负载电阻RL连接到分压器的输出端时,该分压器被称为有载分压器。

由于这个RL,输出电压(在本例中为V2)会降低一定量,这取决于RL的值。这是因为负载电阻RL与R2并联,降低了负载端子(此处为A和B)之间的有效电阻,因此输出电压降低。分压器的加载具有以下影响:
输出电压会根据负载电阻RL的值而降低。
连接负载电阻后,分压器电路变成了一个串并联电路。因此,电路的总电阻降低了。
由于电路的总电阻降低,电路电流增加。
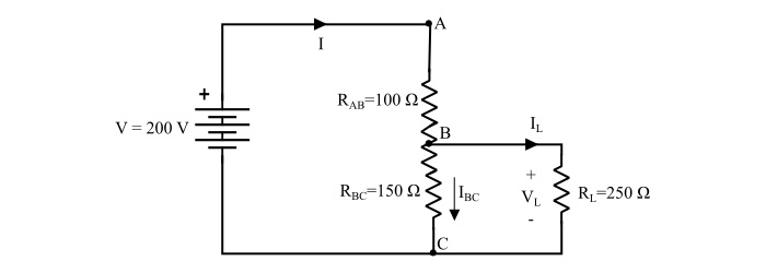
数值示例
在下图所示的分压器电路中,确定以下各项:

- 电源汲取的总电流
- 负载电阻上的电压
- 流过RL的电流
- 分接部分的电流。
解答
给定分压器的等效电阻为:
$$\mathrm{R_{BC\:eq}=(R_{BC}\:||\:R_{L})=\frac{150 × 250}{150 + 250}= 93.75 Ω}$$
$$\mathrm{∴R_{eq}=R_{AB}\:+\:R_{BC\:eq}= 100 + 93.75 = 193.75 Ω}$$
电源汲取的总电流
$$\mathrm{I=\frac{V}{R_{eq}}=\frac{200}{193.75}= 1.032 A}$$
负载电阻上的电压
$$\mathrm{V_{L}=V×\frac{R_{BC\:eq}}{R_{eq}}= 200 ×\frac{93.75}{193.75}= 96.77 Ω}$$
流过RL的电流
$$\mathrm{I_{L}=\frac{V_{L}}{R_{L}}=\frac{96.77}{250}= 0.387 A}$$
分接部分的电流
$$\mathrm{I_{Bc}=I-I_{L}=1.032 − 0.387 = 0.645 A}$$
数据结构
网络
关系数据库管理系统 (RDBMS)
操作系统
Java
iOS
HTML
CSS
Android
Python
C语言编程
C++
C#
MongoDB
MySQL
Javascript
PHP