数字集成电路
微处理器是一种数字电路,它是由组合逻辑函数构建的。微处理器封装包含一个集成电路。
集成电路
集成电路是一种电子电路或器件,它在一个小型半导体芯片上具有电子元件。它具有逻辑与或信号放大功能。主要有两种类型的电路:数字电路和模拟电路。模拟IC处理连续信号,例如音频信号;数字IC处理离散信号,例如二进制值。
集成电路类型
基于不同的标准,存在不同类型的集成电路。根据预期应用,集成电路(IC)可以分类如下:
数字集成电路处理离散信号,例如二进制值(0和1)。这些电路使用数字逻辑门、多路复用器、触发器等。这些电路设计更容易且更经济。
模拟集成电路处理连续信号。主要分为两种:线性集成电路(线性IC)和射频集成电路(RF IC)。
混合集成电路是通过组合模拟和数字集成电路获得的。因此,它具有数模转换器(A/D转换器)、模数转换器(D/A转换器)和时钟/定时集成电路。
常见的集成电路类型包括:比较器、开关IC、音频放大器、运算放大器、定时器IC。
数字集成电路
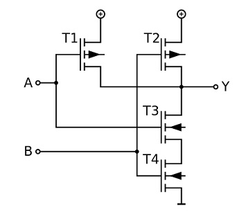
数字集成电路的功能是处理离散信号,例如二进制值,其中使用“真/假”逻辑运算。基本的布尔函数(如与、或和非)对于构建现代数字系统的功能至关重要。这些布尔函数是使用晶体管实现的。例如,以下图所示的是与非门的内部晶体管结构。

现代数字电路可能包含数十亿甚至更多的晶体管。因此,我们需要集成电路(IC),它们组合少量或大量这些晶体管以实现特定功能。这些电路为学生提供了非常低的成本和更高的可靠性。集成电路的例子包括MOS、CMOS、TTL等。CMOS IC具有容错性,降低了芯片故障的风险,使用防静电泡沫来存储和运输IC。TTL技术需要5伏的稳压电源。
集成电路系列
逻辑系列是一组电子逻辑门。一个系列具有其自身的离散逻辑电平、电源、单个组件、特性、优点和缺点。在每个系列中,存在一系列电压,可能是低电平或高电平。
这些系列列举如下:
二极管逻辑 (DL)
使用寄存器和二极管来实现逻辑。二极管的目的是执行或和与运算以及逻辑开关。必须使二极管正向偏置才能导通。缺点:二极管不能执行非运算,二极管不能用于多状态,一次只能一个阶段,信号容易快速衰减。
电阻-晶体管逻辑 (RTL)
使用寄存器和晶体管来实现逻辑。晶体管用于组合反相和放大输入的信号。这些电路经济且易于设计,但速度较慢。它们需要从电源汲取大量的电流。RTL门可以用作线性电路和数字电路之间的接口。
二极管晶体管逻辑 (DTL)
使用寄存器和二极管来实现逻辑。它比DL和RTL具有优势。二极管可以执行与和或运算以及晶体管,并且输出信号可以放大。它具有逻辑反相,如果我们在逻辑门的输出端添加一个晶体管,则可以将信号恢复到满逻辑电平。可以使用二极管而不是电阻来执行或运算,从而消除输入信号之间的相互作用。由于输入电阻对晶体管的影响,晶体管的开关速度受到限制。DTL用于电子管计算机。
晶体管-晶体管逻辑 (TTL)
使用晶体管来实现逻辑,并使用双极型晶体管来构成集成电路。有标准TTL、高速TTL、低功耗TTL和肖特基TTL。它是一个流行的逻辑系列。
发射极耦合逻辑 (ECL)
ECL是一种非饱和逻辑。这种逻辑的优点是速度快,传播延迟非常低。
互补金属氧化物半导体逻辑 (CMOS)
它以高扇出、低功耗和最可靠的逻辑系列而闻名。
数据结构
网络
关系数据库管理系统 (RDBMS)
操作系统
Java
iOS
HTML
CSS
Android
Python
C语言编程
C++
C#
MongoDB
MySQL
Javascript
PHP