- 放大器
- 基本放大器
- 放大器的分类
- 基于配置
- 多级晶体管放大器
- RC耦合放大器
- 变压器耦合放大器
- 直耦放大器
- 功率放大器
- 功率放大器的分类
- A类功率放大器
- 变压器耦合A类功率放大器
- 推挽A类功率放大器
- B类功率放大器
- AB类和C类功率放大器
- 调谐放大器
- 调谐放大器的类型
- 反馈放大器
- 负反馈放大器
- 射极跟随器和达林顿放大器
- 放大器中的噪声
- 放大器有用资源
- 放大器 - 快速指南
- 放大器 - 有用资源
- 放大器 - 讨论
基于配置
任何晶体管放大器都使用晶体管放大信号,该晶体管以三种配置之一连接。对于放大器来说,最好具有高输入阻抗,以避免多级电路中的负载效应,并具有较低的输出阻抗,以便向负载提供最大输出。电压增益和功率增益也应该很高,以产生更好的输出。
现在让我们研究不同的配置,以了解哪种配置更适合晶体管作为放大器工作。
共基放大器
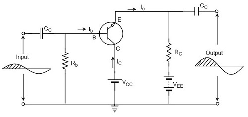
使用CB配置的晶体管组合形成的放大器电路称为CB放大器。
结构
使用NPN晶体管的共基放大器电路如下所示,输入信号施加在发射极基极结上,输出信号从集电极基极结取出。
发射极基极结由VEE正向偏置,集电极基极结由VCC反向偏置。工作点借助电阻Re和Rc进行调整。因此,Ic、Ib和Icb的值由VCC、VEE、Re和Rc决定。
操作
当没有施加输入时,形成静止条件,并且没有输出。由于Vbe相对于地为负,因此对于输入信号的正半周期,正向偏置减小。因此,基极电流IB也减小。
下图显示了具有自偏置电路的CB放大器。
众所周知,
$$I_C \cong I_E \cong \beta I_B$$
集电极电流和发射极电流都减小。
RC上的电压降为
$$V_C = I_C R_C$$
此VC也减小。
由于ICRC减小,VCB增大。这是因为,
$$V_{CB} = V_{CC} - I_C R_C$$
因此,产生正半周期输出。
在CB配置中,正输入产生正输出,因此输入和输出同相。因此,在CB放大器中,输入和输出之间没有相位反转。
如果将CB配置考虑用于放大,则它具有低输入阻抗和高输出阻抗。与CE配置相比,电压增益也较低。因此,CB配置的放大器用于高频应用。
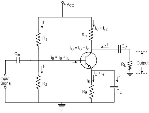
共射放大器
使用CE配置的晶体管组合形成的放大器电路称为CE放大器。
结构
使用NPN晶体管的共射放大器电路如下所示,输入信号施加在发射极基极结上,输出信号从集电极基极结取出。
发射极基极结由VEE正向偏置,集电极基极结由VCC反向偏置。工作点借助电阻Re和Rc进行调整。因此,Ic、Ib和Icb的值由VCC、VEE、Re和Rc决定。
操作
当没有施加输入时,形成静止条件,并且没有输出。当施加信号的正半周期时,基极与发射极之间的电压Vbe增大,因为它相对于地已经为正。
随着正向偏置的增加,基极电流也相应增加。由于IC = βIB,集电极电流也增加。
以下电路图显示了具有自偏置电路的CE放大器。
当集电极电流流过RC时,电压降增大。
$$V_C = I_C R_C$$
结果,集电极与发射极之间的电压降低。因为,
$$V_{CB} = V_{CC} - I_C R_C$$
因此,放大电压出现在RC上。
因此,在CE放大器中,由于正向信号作为负向信号出现,因此可以理解输入和输出之间存在180o的相移。
CE放大器的输入阻抗高于CB放大器,输出阻抗低于CB放大器。CE放大器的电压增益和功率增益也较高,因此它主要用于音频放大器。
共集放大器
使用CC配置的晶体管组合形成的放大器电路称为CC放大器。
结构
使用NPN晶体管的共集放大器电路如下所示,输入信号施加在基极集电极结上,输出信号从发射极集电极结取出。
发射极基极结由VEE正向偏置,集电极基极结由VCC反向偏置。Ib和Ie的Q值由Rb和Re调整。
操作
当没有施加输入时,形成静止条件,并且没有输出。当施加信号的正半周期时,正向偏置增大,因为Vbe相对于集电极或地为正。由此,基极电流IB和集电极电流IC增大。
以下电路图显示了具有自偏置电路的CC放大器。
因此,Re上的电压降,即输出电压增大。结果,获得正半周期。由于输入和输出同相,因此没有相位反转。
如果将CC配置考虑用于放大,尽管CC放大器的输入阻抗高于CE放大器,输出阻抗低于CE放大器,但CC的电压增益非常小,这限制了其仅用于阻抗匹配的应用。
CB CE CC放大器之间的比较
让我们比较CB、CE和CC放大器的特性细节。
| 特性 | CE | CB | CC |
|---|---|---|---|
| 输入电阻 | 低(1K至2K) | 非常低(30-150 Ω) | 高(20-500 KΩ) |
| 输出电阻 | 大(≈ 50 K) | 高(≈ 500 K) | 低(50-1000 KΩ) |
| 电流增益 | B高 | α < 1 | 高(1 + β) |
| 电压增益 | 高(≈ 1500) | 高(≈ 1500) | 小于一 |
| 功率增益 | 高(≈ 10,000) | 高(≈ 7500) | 低(250-500) |
| 输入和输出之间的相位 | 反相 | 同相 | 同相 |
由于兼容性和特性,共射配置主要用于放大器电路。