- 放大器
- 基本放大器
- 放大器的分类
- 基于组态
- 多级晶体管放大器
- RC耦合放大器
- 变压器耦合放大器
- 直流耦合放大器
- 功率放大器
- 功率放大器的分类
- A类功率放大器
- 变压器耦合A类功率放大器
- 推挽式A类功率放大器
- B类功率放大器
- AB类和C类功率放大器
- 调谐放大器
- 调谐放大器的类型
- 反馈放大器
- 负反馈放大器
- 射极跟随器和达林顿放大器
- 放大器中的噪声
- 放大器有用资源
- 放大器 - 快速指南
- 放大器 - 有用资源
- 放大器 - 讨论
偏置补偿
到目前为止,我们已经看到了不同的稳定技术。稳定性是由于负反馈作用引起的。负反馈虽然提高了工作点的稳定性,但也降低了放大器的增益。
由于放大器的增益是一个非常重要的考虑因素,因此使用一些补偿技术来保持优良的偏置和热稳定性。现在让我们一起了解一下这些偏置补偿技术。
二极管补偿不稳定性
这些电路使用二极管实现补偿技术,以处理偏置不稳定性。稳定技术指的是使用电阻偏置电路,允许IB变化以保持IC相对恒定。
有两种类型的二极管补偿方法。它们是:
- 由于VBE变化引起的二极管补偿不稳定性
- 由于ICO变化引起的二极管补偿不稳定性
让我们详细了解这两种补偿方法。
由于VBE变化引起的二极管补偿不稳定性
在硅晶体管中,VBE值的改变会导致IC的变化。为了补偿VBE或ICO的变化,可以在发射极电路中使用二极管。由于使用的二极管和晶体管是同种材料,因此二极管上的电压VD与晶体管的VBE具有相同的温度系数。
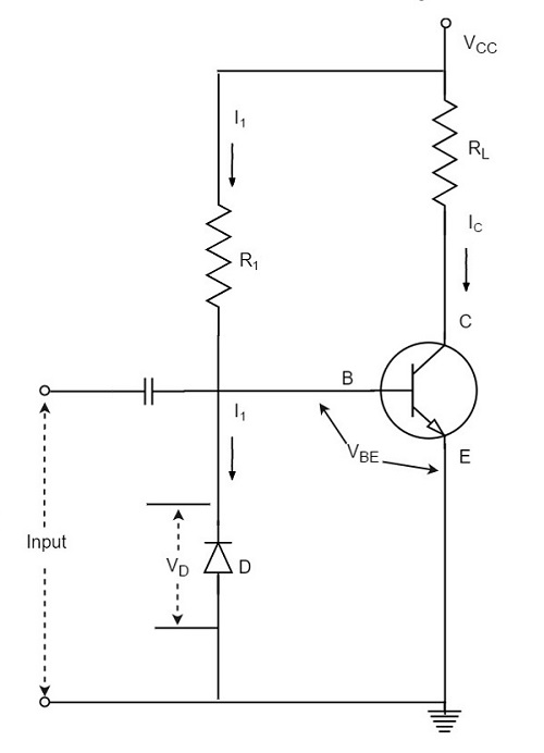
下图显示了具有稳定性和补偿的自偏置。
二极管D由电源VDD和电阻RD正向偏置。VBE随温度的变化与VD随温度的变化相同,因此(VBE – VD)保持恒定。因此,即使VBE变化,IC也保持恒定。
由于ICO变化引起的二极管补偿不稳定性
下图显示了使用二极管D补偿ICO变化的晶体管放大器的电路图。
因此,二极管的反向饱和电流IO将随着温度以与晶体管集电极饱和电流ICO相同的速率增加。
$$I = \frac{V_{CC} - V_{BE}}{R} \cong \frac{V_{CC}}{R} = 常数$$
二极管D由VBE反向偏置,其电流为反向饱和电流IO。
现在基极电流为:
$$I_B = I - I_O$$
将上述值代入集电极电流的表达式。
$$I_C = \beta (I - I_O) + (1 + \beta)I_{CO}$$
如果β ≫ 1,
$$I_C = \beta I - \beta I_O + \beta I_{CO}$$
I几乎是恒定的,如果二极管的IO和晶体管的ICO在工作温度范围内相互跟踪,则IC保持恒定。
其他补偿
还有其他补偿技术,指的是使用温度敏感器件(如二极管、晶体管、热敏电阻、敏敏电阻等)来补偿电流变化。
这种方法中有两种常用的电路,一种使用热敏电阻,另一种使用敏敏电阻。让我们来看看它们。
热敏电阻补偿
热敏电阻是一种温度敏感器件。它具有负温度系数。热敏电阻的电阻在温度降低时会增加,在温度升高时会降低。下图显示了具有热敏电阻补偿的自偏置放大器。
在放大器电路中,ICO、VBE和β随温度的变化会增加集电极电流。使用热敏电阻来最小化集电极电流的增加。随着温度升高,热敏电阻RT的电阻降低,这会增加通过它的电流和电阻RE的电流。现在,RE上产生的电压增加,这反向偏置了发射极结。这种反向偏压非常高,以至于提供正向偏压的电阻R1和R2的作用也减弱了。此动作降低了集电极电流的上升。
因此,热敏电阻的温度敏感性补偿了由于温度引起的集电极电流的增加。
敏敏电阻补偿
敏敏电阻是一种重掺杂半导体,具有正温度系数。敏敏电阻的电阻随温度升高而增加,随温度降低而降低。下图显示了具有敏敏电阻补偿的自偏置放大器。
在上图中,敏敏电阻可以并联放置在R1或RE上。随着温度升高,并联组合(热敏电阻和R1)的电阻增加,其电压降也增加。这会降低R2上的电压降。由于此电压的降低,净正向发射极偏置降低。结果,IC降低。
因此,通过使用敏敏电阻,可以控制由于ICO、VBE和β因温度而增加而引起的集电极电流的上升。
热阻
晶体管是一种依赖于温度的器件。当晶体管工作时,集电极结会产生大量的电子流,因此会产生大量的热量。如果产生的热量超过允许的限度,则会损坏结,从而损坏晶体管。
为了保护自己免受损坏,晶体管将热量从结散到晶体管外壳,然后从外壳散到周围的空气中。
设周围空气的环境温度 = TAoC
以及晶体管集电极-基极结的温度 = TJoC
由于TJ > TA,差值TJ - TA越大,晶体管中耗散的功率PD就越大。因此,
$$T_J - T_A \propto P_D$$
$$T_J - T_A = HP_D$$
其中H是比例常数,称为热阻。
热阻是从结到周围空气的热流阻力。用H表示。
$$H = \frac{T_J - T_A}{P_D}$$
H的单位是oC/瓦。
如果热阻低,则晶体管向空气的热传递将很容易。如果晶体管外壳更大,则散热效果会更好。这是通过使用散热器实现的。
散热器
处理较大功率的晶体管在运行过程中会散发出更多热量。如果此热量未得到适当的散发,可能会损坏晶体管。因此,功率晶体管通常安装在大型金属外壳上,以提供更大的面积来散发其运行过程中产生的热量。
有助于散发晶体管额外热量的金属片称为散热器。散热器的能力取决于其材料、体积、面积、形状、外壳和散热器之间的接触以及散热器周围的空气运动。
选择散热器时需要考虑所有这些因素。该图像显示了一个带散热器的功率晶体管。
上图中微小的晶体管固定在一个较大的金属片上,以散发其热量,防止晶体管损坏。
热失控
使用散热器可以避免热失控问题。这是一种温度升高会导致进一步升高温度,最终导致器件本身被破坏的情况。这是一种不受控制的正反馈。
散热器并非唯一需要考虑的因素;其他因素,如工作点、环境温度和使用的晶体管类型也可能导致热失控。